 
Medical Sensor 4201
 
Sensor used for human joint studies in wrists and elbows.
Not available for online purchase.
Contact us for pricing
Specifications
- Trimmable from any edge to fit application; sensor needs to be resealed after trimming
- Internal vents
- Total thickness in sensing region is 0.007 in (0.2 mm) as opposed to the standard 0.004in (0.1mm). Thinner construction may be available.
Dimensions
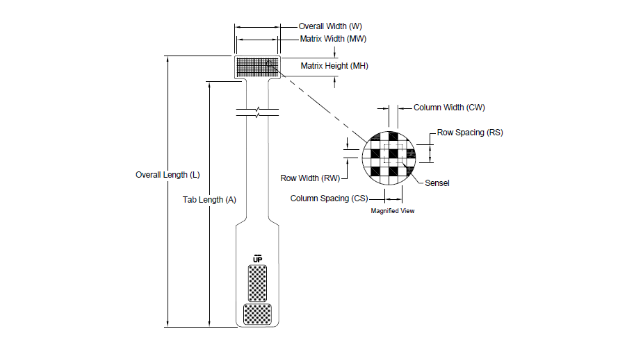
Overall Length
    16.96 in
            Overall Width
    2.00 in
            Tab Length
    15.84 in
            Matrix Height
    0.83 in
            Matrix Width
    1.80 in
            Thickness
    0.0070 in
            Rows
Row Width
    0.045 in
            Row Spacing
    0.075 in
            Row Quantity
    11
            Columns
Column Width
    0.045 in
            Column Spacing
    0.075 in
            Column Quantity
    24
            Resolution
Number of Sensels™
    264
            Sensel Density
    177.8 in2
            Pitch
    0.075 in
            Max Pressure
  
            - 
        2,000
Systems
Equilibrators



